首頁 > 新聞中心 > 法蘭閘閥型號尺寸對照表
法蘭閘閥型號尺寸對照表
發布時間:2023-09-21 16:43:55
法蘭閘閥是一種常用的管道閥門,用于控制介質的流動和截斷。它由閥體、閥蓋、閥板、閥桿和法蘭連接部分組成。
法蘭閘閥的主要特點是閥板上下運動,通過閥板與閥座之間的密封面實現介質的截斷。閥板通常為矩形或楔形,通過旋轉閥桿來提升或降低閥板,從而控制介質的流量。
常見的法蘭閘閥型號有
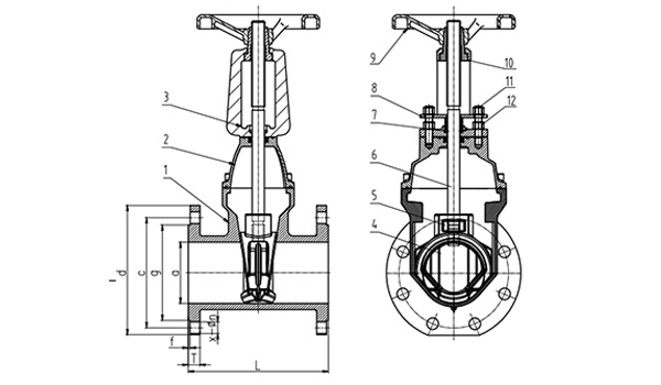
軟密封閘閥型號:Z41X-16Q。尺寸圖及對應尺寸如下:

| DN | L | a | d | c | x-n | T | f | g |
| 50 | 178 | 50 | 165 | 125 | 4-19 | 16.5 | 2 | 99 |
| 80 | 203 | 80 | 200 | 160 | 8-19 | 19 | 3 | 132 |
| 100 | 229 | 100 | 220 | 180 | 8-19 | 20 | 3 | 156 |
| 150 | 267 | 150 | 285 | 240 | 8-23 | 20 | 3 | 211 |
| 200 | 292 | 200 | 340 | 295 | 12-23 | 20 | 3 | 266 |
| 250 | 330 | 250 | 400 | 355 | 12-28 | 25 | 3 | 319 |
| 300 | 356 | 300 | 455 | 410 | 12-28 | 28 | 4 | 370 |
硬密封閘閥型號:Z41H-16C、Z41W-16P。尺寸圖及對應尺寸如下:

| DN | L | D | D1 | D2 | b | f | z-d |
| 50 | 250 | 160 | 125 | 100 | 18 | 3 | 4-18 |
| 65 | 265 | 180 | 145 | 120 | 18 | 3 | 4/8-18 |
| 80 | 280 | 195 | 160 | 135 | 20 | 3 | 8-18 |
| 100 | 300 | 215 | 180 | 155 | 20 | 3 | 8-18 |
| 125 | 325 | 245 | 210 | 185 | 22 | 3 | 8-18 |
| 150 | 350 | 280 | 240 | 210 | 24 | 3 | 8-22 |
| 200 | 400 | 335 | 295 | 265 | 24 | 3 | 12-22 |
| 250 | 450 | 405 | 355 | 320 | 26 | 3 | 12-26 |
| 300 | 500 | 460 | 410 | 375 | 28 | 4 | 12-26 |
| 350 | 550 | 520 | 470 | 435 | 34 | 4 | 16-26 |
| 400 | 600 | 580 | 525 | 485 | 36 | 4 | 16-30 |
| 450 | 650 | 640 | 585 | 545 | 40 | 4 | 20-30 |
| 500 | 700 | 705 | 650 | 608 | 44 | 4 | 20-34 |
法蘭閘閥主要應用于以下幾個方面:
1. 工業管道系統:法蘭閘閥可用于控制和截斷各種工業管道中的介質流動,常見于石油、化工、冶金等行業。
2. 市政工程:在市政工程中,法蘭閘閥廣泛應用于供水、供氣、污水處理等系統中,具有良好的控制效果。
3. 港口和船舶:法蘭閘閥用于控制港口和船舶中的介質流動,保障船舶的安全。












