-
蝸輪箱防護等級高
蝸輪箱防護等級達到IP65。
-
蝸輪箱防護性能可靠
蝸輪箱定期做防塵和防噴淋型式試驗,保證產品防護性能可靠。
-
蝸輪箱強度高,不易損壞
蝸輪箱做強度試驗,手輪端邊緣加890N力,蝸輪頭任何部位無損壞,無永久變形。
-
蝸輪頭質保5年
采用鋰基潤滑脂,耐水耐油,不易老化,壽命長(耐高溫150度,低溫-20度)。蝸輪頭質保5年。
-
蝸桿壽命長
蝸桿采用45號鋼調質處理,綜合力學性能好,壽命長。
-
蝸桿軸端加裝滾珠
蝸桿軸端加裝滾珠,能夠很大程度上減少摩擦力。
-
蝸桿與蝸桿軸連接可靠
蝸桿與蝸桿軸連接銷釘采用45號鋼淬火處理,強度高,連接可靠。
-
防護性能可靠
箱蓋與箱體之間加裝NBR密封墊,防護性能可靠。
-
傳動極限力矩大
蝸輪與蝸桿采用正變位,齒厚加厚,剛性好,傳動極限力矩大。
產品優點
產品介紹
蝶閥渦輪頭主要是一種提供閥門閥桿進行控制的裝置,或者是使用到閥門蝸輪箱上的設備。閥門蝸輪裝置能夠提供比較精確的連接桿調控,能夠讓閥門在一定的程度上進行運動起到在管道中調節介質的效果。
產品參數
| 執行標準 | 名稱 | 設計及制造 | |||||
| 參照標準 | GB/T4208 | ||||||
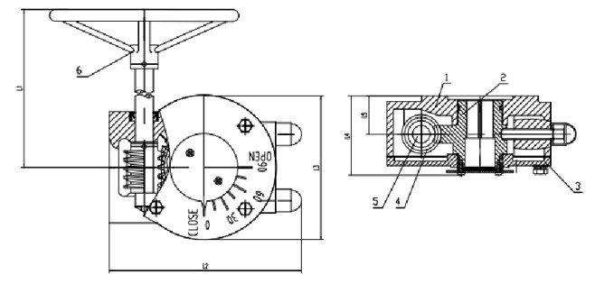
| 零部件信息 | 序號 | 1 | 2 | 3 | 4 | 5 | 6 |
| 名稱 | 蝸輪箱體 | 蝸輪 | 箱蓋 | 蝸桿 | 蝸桿軸 | 手輪 | |
| 材質及說明 | HT200 | QT450-10 | HT200 | 45 | 45 | QT450-10 | |
| 尺寸信息 | 傳動比 | L1 | L2 | L3 | L4 | L5 | |
| 24:1 | 149 | 146 | 105 | 70 | 35 | ||
| 30:1 | 206 | 210 | 153 | 90 | 41 | ||
| 50:1 | 217 | 215 | 156 | 92 | 49 | ||
語言:簡體中文
English
Русский
簡體中文












