咨詢熱線:13821179269
-
更環保
引進高精密
全自動超聲波清洗流水線,對每臺產品進行全方位立體清洗,般德蝶閥達到“0”油漬,“0 ”污染 ,使般德蝶閥更環保。 -
更耐用
橡膠閥座使用德國拜耳為原料的EPDM橡膠,使蝶閥的回彈性及拉力超級穩定可靠,開啟試驗達到≥10000次以上無泄漏。
碟板銷子全部采用不銹鋼材質,更
耐腐蝕,不銹鋼銷子是普通銷子耐腐蝕度提高10倍 。 -
更標準
鑄鐵材質閥體執行GB/T12229-2005抗拉強度180~210Mpa
鑄鋼閥體執行GB/T12229-2005 抗拉強度≥485Mpa -
更簡便
般德專利橡膠閥座使安裝更簡單,橡膠閥座密封面寬度與普通橡膠閥座寬度增加一倍與法蘭水線接觸面更寬
般德橡膠閥座可以適用不同種類法蘭使用更廣泛,不用配備蝶閥專用法蘭可以和普通平焊法蘭完美配合
| 執行標準 | 名稱 | 設計及制造 | 結構長度 | 試壓標準 | |||||||
| 參照標準 | GB/T 12238 | GB/T 12221 | GB/T 13927 | ||||||||
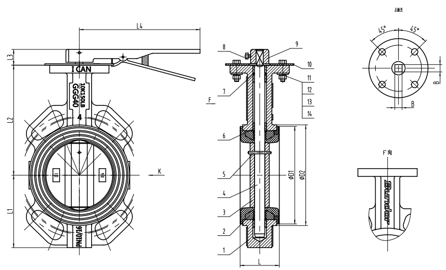
| 零部件信息 | 序號 | 1 | 2 | 3 | 4 | 5 | 6 | 7 | 8 | 9 | 10 |
| 名稱 | 閥體 | 閥座 | 蝶板 | 閥軸 | 圓錐銷 | 軸套 | O型圈 | 六角螺栓 | 手柄 | 齒盤 | |
| 材質及說明 | DI | ([EPDM]/NBR) | DI/CF8/CF8M | 304/316 | 304/316 | 高分子復合材料 | [EPDM]/NBR | 304 | 球鐵手柄 | 304 | |
| 尺寸信息 | DN | L | D1 | D2 | L1 | L2 | L3 | L4 | B | ISO 5211上法蘭 | |
| 2″ | DN50 | 43 | 86 | 92.3 | 75 | 129 | 24 | 240 | 9 | F05 | |
| 2.5″ | DN65 | 46 | 101 | 107 | 82 | 136 | 24 | 240 | 9 | F05 | |
| 3″ | DN80 | 46 | 116 | 122 | 99 | 153 | 24 | 240 | 9 | F05 | |
| 4″ | DN100 | 52 | 148 | 153 | 110 | 167 | 24 | 270 | 11 | F07 | |
| 5″ | DN125 | 56 | 174 | 179 | 125 | 193 | 24 | 320 | 14 | F07 | |
| 6″ | DN150 | 56 | 204 | 208.4 | 145 | 209 | 24 | 320 | 14 | F07 | |
| 8″ | DN200 | 60 | 252 | 262.3 | 170 | 251 | 30 | 380 | 17 | F10 | |
如果您有什么技術需要或者疑問,請您留言!也可以撥打咨詢電話:13821179269
語言:簡體中文
English
Русский
簡體中文










