-
閥體壁厚厚度達標
閥體壁厚滿足GB 26640的要求,厚度達標,承壓強度有保障。
-
閥體球化率3級以上
閥體均采用QT450-10材料、球化率3 級以上,機械性能更強,抗拉強度450Mpa,延展率10%以上,可適用的工作壓力更高。
-
閥座密封性好、耐用壽命長
閥座采用進口橡膠原料,含膠量50%以上,邵氏A硬度73±3,拉伸強度≥15.2MPa;扯斷伸長率≥350%,閥門密封可靠,耐用壽命長。
-
軟靠背寬邊閥座
軟靠背寬邊閥座,有利于閥門的安裝,在管道上與法蘭凸臺接觸面寬,密封性能可靠。使用壽命比硬靠背的長。并且易拆卸更換。
-
閥體噴涂阿克蘇環氧樹脂塑粉
閥體噴涂采用阿克蘇環氧樹脂塑粉,熔融固化后附著力更強,環境耐受性更好。
-
提供材質檢驗報告
所有般德的產品,均可提供主要零部件的材質檢驗報告。
-
-
-
產品優點
產品介紹
般德鋁手柄軟靠背對夾蝶閥D71X-10Q,產品配置:對夾球鐵軟靠背體,DI板,SS420軸,EPDM寬邊閥座,鋁手柄。主要應用于市政建設、水利工程、給排水、水處理等領域。
產品參數
鋁手柄對夾蝶閥D71X-10Q規格尺寸
| 執行標準 | 名稱 | 設計及制造 | 結構長度 | 試壓標準 | 上法蘭尺寸 | 側法蘭尺寸 |
| 參照標準 | GB/T 12238 | GB/T 12221 | GB/T 13927 | ISO 5211 | PN6/10/16 | |
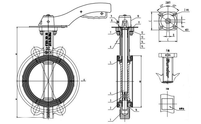
| 零部件信息 | 名稱 | 1-閥體 | 2-閥座 | 3-蝶板 | 4-閥軸 | 5-手柄 |
| 材質 | DI | EPDM | DI | 420 | DI | |
| 尺寸信息 | DN | in | H1 | H2 | H3 | L |
| 50 | 2" | 75 | 129 | 24 | 43 | |
| 65 | 2.5" | 82 | 136 | 24 | 46 | |
| 80 | 3" | 99 | 153 | 24 | 46 | |
| 100 | 4" | 110 | 167 | 24 | 52 | |
| 125 | 5" | 125 | 193 | 27 | 56 | |
| 150 | 6" | 145 | 209 | 27 | 56 | |
| 200 | 8" | 170 | 251 | / | 60 | |
| 250 | 10" | 213 | 283 | / | 68 | |
| 300 | 12" | 240 | 315 | / | 78 |
產品專利
軟靠背蝶閥專利 CN201822248862.2
般德閥門專利軟靠背蝶閥,閥座上設置有軟靠背,可以增加閥門的密封性,提高了蝶閥的穩定性。
防飛出閥桿專利 CN201822244366.X
般德閥門專利防飛出閥桿結構,能防止因流體介質的壓力太大導致閥桿脫離飛出,增加閥門的安全可靠性。
語言:簡體中文
English
Русский
簡體中文












