-
不銹鋼螺栓
螺栓采用不銹鋼材質,穩定可靠,防銹能力強。
-
球墨鑄鐵實心閥體
QT450-10球鐵閥體、球化率3 級,抗拉強度450Mpa,延展率10%以上。相同厚度情況下,抗拉強度是灰鐵體的2倍,可適用的工作壓力更高.
-
高彈性閥座橡膠
閥座橡膠含膠率50%,經仿真啟閉實驗1萬次以上,無泄漏。
-
軟靠背閥座
無須借助專業設備,閥座可手動拆裝。
-
無銷軸板連接結構
蝶板和閥軸采用無銷連接,可以完全避免因裝銷釘引起的泄露和腐蝕。閥軸易拆卸,便于更換閥座。
-
強支撐密封閥軸
閥軸由4道無油軸承支撐,3道O-ring密封,扭矩較低,密封可靠。
-
阿克蘇環氧塑粉
閥體噴涂采用阿克蘇的環氧樹脂塑粉,附著力強,劃格法0-1級通過;沖擊強度高,50kg?cm正沖通過;耐候性好,戶內戶外均可使用。
-
POF熱縮膜獨立包裝
DN200以下口徑采用POF熱縮膜膜獨立包裝,DN250以上采用氣泡袋或纏繞膜包裝,內置干燥劑,防潮、防淋、隔灰塵。
-
圓潤球鐵手柄
手柄采用球鐵材質,比沖壓手柄耐銹蝕能力強33%左右;彈簧,銷子材質均為304,抗腐蝕強,更耐用。半圓形握把兒,無棱角,手感好。
產品優點
產品介紹
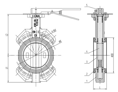
般德D71X-16Q軟靠背對夾蝶閥,產品配置:對夾球鐵軟靠背體,DI板,SS420軸,EPDM閥座,球鐵方孔手柄。主要應用于市政建設、水利工程、給排水、水處理等領域。
產品參數
D71X軟靠背對夾蝶閥參數信息
| 執行標準 | 名稱 | 設計及制造 | 結構長度 | 試壓標準 | 上法蘭尺寸 | 側法蘭尺寸 | ||||||||
| 參照標準 | GB/T 12238 | GB/T 12221 | GB/T 13927 | ISO 5211 | CL150、PN6/10/16、 5/10K、Table D/E |
|||||||||
| 零部件信息 | 名稱 | 1-閥體 | 2-閥座 | 3-蝶板 | 4-閥軸 | 5-手柄 | ||||||||
| 材質 | DI | EPDM | CF8 | 420 | DI | |||||||||
| 尺寸信息 | 公稱尺寸 | L | L1 | L2 | ΦD0 | PN 10 | PN 16 | Class150 | JIS 10K | |||||
| DN | NPS(英寸) | ΦK | n-Φd | ΦK | n-Φd | ΦK | n-Φd | ΦK | n-Φd | |||||
| 50 | 2" | 43 | 75 | 129 | 86 | 125 | 4-Φ18 | 125 | 4-Φ18 | 120.7 | 4-Φ19 | 120 | 4-Φ19 | |
| 65 | 2 1/2" | 46 | 82 | 136 | 101 | 145 | 4-Φ18 | 145 | 4-Φ18 | 139.7 | 4-Φ19 | 140 | 4-Φ19 | |
| 80 | 3" | 46 | 99 | 153 | 121 | 160 | 8-Φ18 | 160 | 8-Φ18 | 152.4 | 4-Φ19 | 150 | 8-Φ19 | |
| 100 | 4" | 52 | 110 | 167 | 144 | 180 | 8-Φ18 | 180 | 8-Φ18 | 190.5 | 8-Φ19 | 175 | 8-Φ19 | |
| 125 | 5" | 56 | 125 | 193 | 171 | 210 | 8-Φ18 | 210 | 8-Φ18 | 215.9 | 8-Φ22.4 | 210 | 8-Φ23 | |
| 150 | 6" | 56 | 145 | 209 | 200 | 240 | 8-Φ22 | 240 | 8-Φ22 | 241.3 | 8-Φ22.4 | 240 | 8-Φ23 | |
產品專利
軟靠背蝶閥專利 CN201822248862.2
般德閥門專利軟靠背蝶閥,閥座上設置有軟靠背,可以增加閥門的密封性,提高了蝶閥的穩定性。
防飛出閥桿專利 CN201822244366.X
般德閥門專利防飛出閥桿結構,能防止因流體介質的壓力太大導致閥桿脫離飛出,增加閥門的安全可靠性。
語言:簡體中文
English
Русский
簡體中文












