-
高彈性閥座橡膠
閥座橡膠含膠率50%,經仿真啟閉實驗1萬次以上,無泄漏。
-
球墨鑄鐵實心閥體
QT450-10球鐵閥體、球化率3 級,抗拉強度450Mpa,延展率10%以上。相同厚度情況下,抗拉強度是灰鐵體的2倍,可適用的工作壓力更高。
-
POF熱縮膜獨立包裝
閥體為實心體,同DN200以下口徑采用POF熱縮膜膜獨立包裝,DN250以上采用氣泡袋或纏繞膜包裝,內置干燥劑,防潮、防淋、隔灰塵。等口徑重量重于其他廠家。
-
不銹鋼螺栓
螺栓采用不銹鋼材質,穩定可靠,防銹能力強。
-
防吹出閥軸設計
無銷板蝶閥閥軸采用防吹出結構,安全性能優異。
-
產品可追溯
每一臺般德產品都有專屬的ID編號。
-
可提供試壓報告
所有般德的產品,均可提供出廠試壓報告。
-
304不銹鋼標牌
304標牌,激光刻標,字跡清晰,存留時間長。不銹鋼鉚釘固定,外觀美觀,連接牢靠。
-
質保兩年
般德品牌產品國內外各有太平洋保險500萬保額的品質承保(保單號:ATIJ04007120Q000006E),承保范圍29類,共1000余種產品,質保2年,兩年內壞一個賠兩個。
產品優點
產品介紹
般德閥門生產的D71X手柄對夾蝶閥由EPDM閥座和球墨鑄鐵蝶板、球墨鑄鐵閥體、不銹鋼閥桿構成。更耐腐蝕,耐腐蝕度是普通產品的10倍。該蝶閥結構簡單,性能好,拆裝方便快捷,使用廣泛。
產品參數
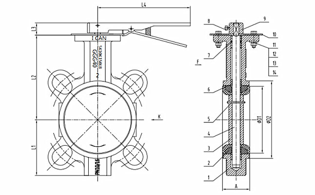
DN50對夾蝶閥D71X-16Q規格尺寸
| 執行標準 | 名稱 | 設計及制造 | 結構長度 | 試壓標準 | 上法蘭尺寸 | 側法蘭尺寸 | |||||||||
| 參照標準 | GB/T 12238-2008 | GB/T 12221-2008 | GB/T 13927-2008 | ISO 5211 | CLASS150/PN6/PN10/PN16/ 5K/10K/TABLE D/TABLE E |
||||||||||
| 零部件信息 | 名稱 | 1-閥體 | 2-閥座 | 3-蝶板 | 4-閥軸 | 5-圓錐銷 | 6-襯套 | 7-O型圈 | 8-六角螺栓 | 9-手柄 | 10-齒盤 | 11-六角螺栓 | 12-彈簧墊片 | 13-螺母 | 14-平墊 |
| 材質 | DI | EPDM | DI鍍鎳 | 45#鍍鋅 | SS416 | 高分子復合材料 | NBR | SS304 | KT300 | Q235鍍鋅 | SS304 | SS304 | SS304 | SS304 | |
| 尺寸信息 | DN | NPS(英寸) | A | D1 | D2 | L1 | L2 | L3 | L4 | B | 上法蘭 | ||||
| DN50 | 2" | 43 | 73.3 | 92.3 | 75 | 129 | 24 | 220 | 9 | F05 | |||||
| DN65 | 2.5" | 46 | 86 | 107 | 82 | 136 | 24 | 220 | 9 | F05 | |||||
| DN80 | 3" | 46 | 100.9 | 122 | 99 | 153 | 24 | 220 | 9 | F05 | |||||
| DN100 | 4" | 52 | 132 | 153 | 110 | 167 | 24 | 250 | 11 | F07 | |||||
| DN125 | 5" | 56 | 156 | 179 | 125 | 193 | 24 | 250 | 14 | F07 | |||||
| DN150 | 6" | 56 | 185.4 | 208.4 | 145 | 209 | 24 | 302 | 14 | F07 | |||||
| DN200 | 8" | 60 | 235.2 | 262.3 | 170 | 251 | 30 | 360 | 17 | F10 | |||||
產品專利
新型蝶閥閥體專利 CN201520267217.9
般德閥門專利閥體,蝶閥閥體能適用于主要工業國家對管道側法蘭的規定安裝,增加了蝶閥的適用范圍。
蝶閥外觀專利 CN201830771212.9
采用般德閥門專利閥體外觀。
語言:簡體中文
English
Русский
簡體中文












