-
體積小、重量輕
該蝶閥結構尺寸短、體積小、重量輕、開啟力矩小、靈活方便、操作輕便。
-
正軸結構
該蝶閥采用正軸結構,蝶板為桁架式結構,蝶板強度高、過流面積大、流阻小、節省能源。
-
三維偏心設計
該蝶閥采用獨特的三維偏心設計:在傳統的雙偏心結構基礎上配置獨特的三維偏心設計使蝶板越關越緊,使得閥門密封性更好。
-
耐腐蝕耐磨損
硬密封,不銹鋼材料耐高壓高溫,耐腐蝕耐磨損,使用壽命長。
-
-
-
-
-
產品優點
產品介紹
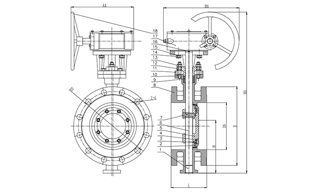
D343H三偏心蝶閥屬于金屬硬密封蝶閥(又稱多層次硬密封蝶閥),是長壽命、節能型蝶閥產品。產品耐高溫耐腐蝕,廣泛適用于電力、石油、化工、冶金、市政建設等工業管道上作截斷或調節介質流量用。D343H三偏心蝶閥采用三維偏心原理設計,閥座采用硬、軟密封兼容的多層次結構加工精湛工藝先進。
產品參數
D343H-16C三偏心蝶閥參數信息
| 閥門執行標準 | 名稱 | 設計及制造 | 結構長度 | 側法蘭尺寸 | 上法蘭尺寸 | 試壓標準 | |||||
| 參照標準 | GB/T12238 | GB/T12221 | GB/T9113.1 | ISO5211 | GB/T13927 | ||||||
| 主要零部件信息 | 名稱 | 閥體 | 閥板 | 閥桿 | 密封圈 | 填料 | |||||
| 材質 | 鑄鋼/不銹鋼/合金鋼 | 不銹鋼、碳鋼 | 不銹鋼 | 不銹鋼圈 | 耐高溫石墨 | ||||||
| D343H-10/16尺寸信息 | DN(毫米) | DN(英寸) | L | H | H1 | A1 | B1 | D | D1 | Z-d |
| 50 | 2 | 108 | 112 | 350 | 180 | 200 | 165 | 125 | 4-18 | |
| 65 | 2.5 | 112 | 115 | 370 | 180 | 200 | 185 | 145 | 4-18 | |
| 80 | 3 | 114 | 120 | 380 | 180 | 200 | 200 | 160 | 8-18 | |
| 100 | 4 | 127 | 138 | 420 | 180 | 200 | 220 | 180 | 8-18 | |
| 125 | 5 | 140 | 164 | 460 | 180 | 200 | 250 | 210 | 8-18 | |
| 150 | 6 | 140 | 175 | 555 | 270 | 280 | 285 | 240 | 8-22 | |
| 200 | 8 | 152 | 208 | 605 | 270 | 280 | 340 | 295 | 12-22 | |
| 250 | 10 | 165 | 243 | 680 | 270 | 280 | 405 | 355 | 16-26 | |
| 300 | 12 | 178 | 283 | 800 | 380 | 420 | 460 | 410 | 16-26 | |
| 350 | 14 | 190 | 310 | 835 | 380 | 420 | 520 | 470 | 16-26 | |
| 400 | 16 | 216 | 340 | 915 | 450 | 470 | 580 | 525 | 16-30 | |
| 450 | 18 | 222 | 380 | 960 | 480 | 490 | 640 | 585 | 20-30 | |
| 500 | 20 | 229 | 410 | 1020 | 480 | 490 | 715 | 650 | 20-33 | |
| 600 | 24 | 267 | 470 | 1225 | 480 | 490 | 840 | 770 | 20-36 | |
| 700 | 28 | 292 | 550 | 1355 | 640 | 660 | 910 | 840 | 24-36 | |
| 800 | 32 | 318 | 640 | 1470 | 640 | 660 | 1025 | 950 | 24-39 | |
| 900 | 36 | 330 | 710 | 1545 | 750 | 860 | 1125 | 1050 | 28-39 | |
| 1000 | 40 | 410 | 770 | 1795 | 850 | 900 | 1255 | 1170 | 28-42 | |
| 1200 | 48 | 470 | 890 | 1965 | 850 | 900 | 1845 | 1390 | 32-48 |
語言:簡體中文
English
Русский
簡體中文










