-
精密鑄造
閥體為精密鑄造閥體,材質達標、外觀精細,無沙眼
-
內件密封性好
內件數控車床加工,加工后進行2次拋光,保證密封性能
-
實心重體
閥體均為實心重體
-
耐磨閥座
閥座堆焊cr系不銹鋼,增加閥座耐磨性
-
有效防外漏
閥蓋和閥桿接觸的地方做倒密封處理,防止外漏
-
不銹鋼材質
波紋管采用不銹鋼304材質
-
雙層壓力檢測
每臺閥門出廠均按照國家標準做殼體、密封雙層壓力檢測
-
-
產品優點
產品介紹
波紋管截止閥也叫波紋管密封截止閥,通過自動滾焊焊接,在流體介質和大氣之間形成一個金屬屏障,確保閥桿零泄漏的設計。波紋管截止閥適用于蒸汽、易燃、易爆、導熱油、高純度、有毒等介質的管路上。般德閥門波紋管截止閥產品配置:閥體:WCB、閥板:A105+13Cr、波紋管:304、閥桿:2Cr13。
產品參數
| 執行標準 | 名稱 | 設計制造 | 結構長度 | 法蘭連接 | 檢驗試驗 | |||
| 參照標準 | DIN EN 13709 | DIN EN 558-1 | DIN EN 1092-1 | DIN EN 12266 | ||||
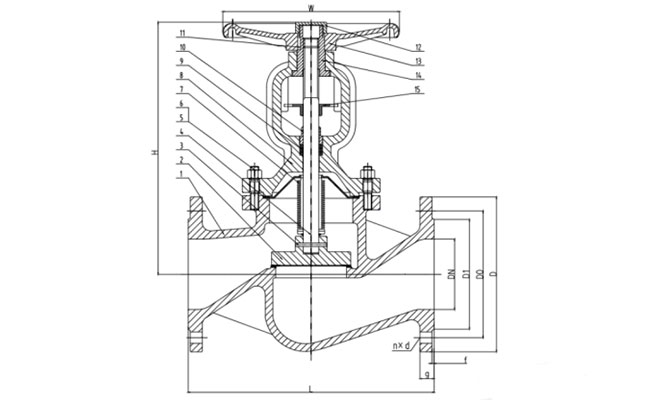
| 主要零部件信息 | 名稱 | 1-閥體 | 2-閥板 | 3-閥桿 | 7-波紋管 | |||
| 材質及說明 | WCB/CF8 | A105+13Cr/CF8 | 2Cr13/304 | 304 | ||||
| 尺寸信息 | DN | NPS | L | φD | φD0 | φD1 | g | n*d |
| 15 | 1/2'' | 130 | 95 | 65 | 45 | 16 | 4*14 | |
| 20 | 3/4'' | 150 | 105 | 75 | 58 | 18 | 4*14 | |
| 25 | 1'' | 160 | 115 | 85 | 68 | 18 | 4*14 | |
| 32 | 1 1/4'' | 180 | 140 | 100 | 78 | 18 | 4*18 | |
| 40 | 1 1/2'' | 200 | 150 | 110 | 88 | 18 | 4*18 | |
| 50 | 2'' | 230 | 165 | 125 | 102 | 18 | 4*18 | |
| 65 | 2 1/2'' | 290 | 185 | 145 | 122 | 18 | 4*18 | |
| 80 | 3'' | 310 | 200 | 160 | 138 | 20 | 8*18 | |
| 100 | 4'' | 350 | 220 | 180 | 158 | 20 | 8*18 | |
| 125 | 5'' | 400 | 250 | 210 | 188 | 22 | 8*18 | |
| 150 | 6'' | 480 | 285 | 240 | 212 | 22 | 8*22 | |
| 200 | 8'' | 600 | 340 | 295 | 268 | 24 | 12*22 | |
| 250 | 10'' | 730 | 405 | 355 | 320 | 26 | 12*26 | |
| 300 | 12'' | 850 | 460 | 410 | 378 | 28 | 12*26 | |
| 350 | 14'' | 980 | 520 | 470 | 428 | 30 | 16*26 | |
| 400 | 16'' | 1100 | 580 | 525 | 490 | 32 | 16*30 | |
語言:簡體中文
English
Русский
簡體中文












