-
設計新穎
設計新穎、合理、結構獨特,重量輕,啟閉迅速。
-
結構簡單緊湊
結構簡單緊湊,轉90°啟閉輕便迅速。
-
維修方便
可以任何位置安裝,維修方便。
-
達到完全密封
達到完全密封,氣體試驗泄漏為零。
-
-
-
-
-
產品優點
產品介紹
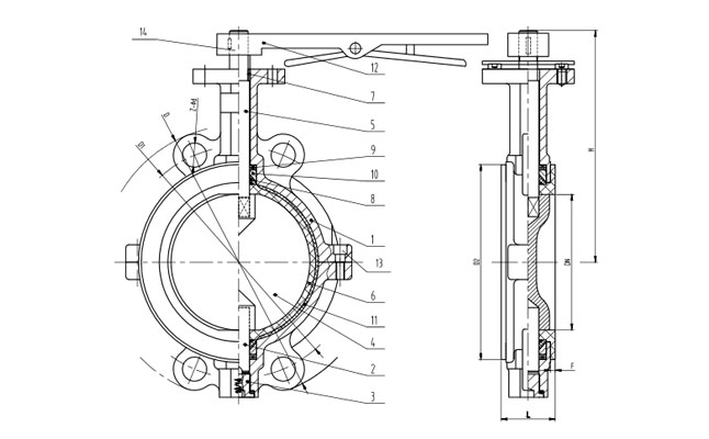
D71F-16C手柄對夾襯氟蝶閥:對夾式襯四氟蝶閥是為了適應一些具有強酸、強堿的腐蝕性環境,石油、化工等多個特殊領域的需要,使用聚四氟乙烯制成的閥體,具有很強的防腐效果。在常規條件下可以替代不銹鋼閥體,具有更高的性價比。般德閥門生產的D71F-16C手柄對夾襯氟蝶閥具有功能強、體積小、性能可靠、配套簡單、流通能力大,特別是適合于介質是粘稠、含顆粒、纖維性質的場合。該產品作為一種用來實現管路系統通斷及流量控制的元件,已在石油、化工、冶金、水電等許多領域中得到極為廣泛地應用。
產品參數
D71F-16C手柄對夾襯氟蝶閥參數信息
| 閥門執行標準 | 名稱 | 設計及制造 | 結構長度 | 試壓標準 | 側法蘭尺寸 | ||
| 參照標準 | GB/T 12238-2008 | GB/T 12221 | GB/T 13927-2008 | GB/T 9113.1 | |||
| 主要零部件信息 | 名稱 | 閥體 | 上閥桿 | 下閥桿 | 閥座 | 蝶板 | 手柄 |
| 材質 | WCB | 304 | 304 | PTFE | 304 | DI/AI/304 | |
| 尺寸信息 |
DN |
L | ∅D | ∅D1 | Z-∅d | f | |
| 200 | 60 | 340 | 295 | 12-23 | 3 | ||
| 150 | 56 | 285 | 240 | 8-23 | 3 | ||
| 125 | 56 | 285 | 210 | 8-18 | 3 | ||
| 100 | 52 | 220 | 180 | 8-18 | 3 | ||
| 80 | 46 | 200 | 160 | 8-18 | 3 | ||
| 65 | 46 | 185 | 145 | 4-18 | 3 | ||
| 50 | 43 | 165 | 125 | 4-18 | 3 | ||
語言:簡體中文
English
Русский
簡體中文












